logo
Evde > Ürünler > Endüstriyel Servo Motor >
Sanayi Ekipmanları için 1100W 400W 0.4KW Endüstriyel Servo Motor Kontrol Cihazı

Sanayi Ekipmanları için 1100W 400W 0.4KW Endüstriyel Servo Motor Kontrol Cihazı

0.4KW Endüstriyel Servo Motor

Tek fazlı Endüstriyel servo Motor Ekipmanları

1100W Endüstriyel Servo Motor

Menşe yeri:

Çin

Marka adı:

GPG

Sertifika:

CCC

Model numarası:

SÜRÜCÜLÜ 400W SERVO MOTOR

Bizimle İletişim
Teklif Et
Ürün Ayrıntıları
Tip:
servo motor
Alternatif akım voltajı:
100/110/220/230/240
Faz:
Üç fazlı, Tek fazlı
Çıkış gücü:
400W 750W 1100W
Yalıtım sınıfı:
B Sınıfı
Ödeme ve Nakliye Şartları
Min sipariş miktarı
1 PARÇA
Fiyat
100-200$
Ambalaj bilgileri
Karton
Teslim süresi
10-15 gün
Ödeme koşulları
T/T
Yetenek temini
10000 adet/ay
İlişkili Ürünler
Bizimle İletişim
Şimdi iletişime geçin
Ürün Tanımı

Sanayi Ekipmanları için 1100W 400W 0.4KW Endüstriyel Servo Motor Kontrol Cihazı 0

 
1995 yılında, Taibang motor oldukça motive oldu ve kendi markasının tasarımına ve dişli motorların geliştirilmesine başladı.Küçük bir imalat şirketinden bir grup kimya fabrikasına, dişli motorla başlayarak Ar-Ge, üretim ve satışı entegre eden bir profesyonel haline geldi.
 
Sanayi Ekipmanları için 1100W 400W 0.4KW Endüstriyel Servo Motor Kontrol Cihazı 1
 
20 yıllık yağış birikimi, Taibang'ın profesyonel odağına katkıda bulunmuştur.Şu anda, şirket ağırlıklı olarak silindirik dişli redüktörler, hipoid dişli redüktörler, sonsuz dişli redüktörler, hassas planet dişli redüktörler, RV redüktörler, harmonik redüktörler ve diğer özelleştirilmiş redüktörler vb. geliştirmekte ve üretmektedir. Eşleşen servo motorlar, fırçasız DC motorlar, DC motorlar, tork motorları, asenkron motorlar, tersinir motorlar, fren hız kontrol motorları ve diğer transmisyon ürünleri, çeşitli endüstriyel üretim hatları, ulaşım makinaları, tekstil makinaları, gıda paketleme makinaları, Otomasyon, medikal, akıllı robotlar, robotik kollar ve diğer transmisyon alanlarında yaygın olarak kullanılmaktadır.
 
Sanayi Ekipmanları için 1100W 400W 0.4KW Endüstriyel Servo Motor Kontrol Cihazı 2
 
Taibang, müşteriler için değer yaratmaya ve üstün dişli motor ürünleri ve teknik hizmetler sunmaya kendini adamıştır.Dişli motor alanında yenilikçilikte lider olan Taibang, müşterilerine yalnızca yüksek performanslı ürünler sağlamakla kalmaz, aynı zamanda müşterilere özel çözümler de sunabilir.Aynı zamanda etkin ve sağlam bir satış ağı ve satış sonrası hizmet sistemi kurarak yurtiçi ve yurtdışındaki müşterilerine en kaliteli hizmeti sunmaktır.

Sanayi Ekipmanları için 1100W 400W 0.4KW Endüstriyel Servo Motor Kontrol Cihazı 3Sanayi Ekipmanları için 1100W 400W 0.4KW Endüstriyel Servo Motor Kontrol Cihazı 4
 

Sanayi Ekipmanları için 1100W 400W 0.4KW Endüstriyel Servo Motor Kontrol Cihazı 5Sanayi Ekipmanları için 1100W 400W 0.4KW Endüstriyel Servo Motor Kontrol Cihazı 6Sanayi Ekipmanları için 1100W 400W 0.4KW Endüstriyel Servo Motor Kontrol Cihazı 7Sanayi Ekipmanları için 1100W 400W 0.4KW Endüstriyel Servo Motor Kontrol Cihazı 8Sanayi Ekipmanları için 1100W 400W 0.4KW Endüstriyel Servo Motor Kontrol Cihazı 9Sanayi Ekipmanları için 1100W 400W 0.4KW Endüstriyel Servo Motor Kontrol Cihazı 10
 
 
 
SSS:
S: Nasılşirketiniz hakkında?
C: Çin'in Wenzhou şehrinde bulunan dişli motor fabrikasıyız, 1995'ten başlıyoruz, 1200'den fazla çalışanımız var, ana ürünler AC mikro dişli motor 6W ila 250W, AC küçük dişli motor 100W ila 3700W, fırça DC motor 10W 400W, fırçasız motor 10W ila 750W, tambur motoru 60W ila 3700W, Planet dişli kutusu, sonsuz dişli kutusu vb.
 
S: Nasılseçmekuygun motor?
C: Bize gösterecek dişli motor resimleriniz veya çizimleriniz varsa veya bize voltaj, hız, tork, motor boyutu, motorun çalışma modu, gerekli ömür ve gürültü seviyesi vb. gibi ayrıntılı özellikleri söylerseniz, lütfen bize bildirmekten çekinmeyin. Bilin, o zaman isteğinize göre uygun motor önerebiliriz.
Q:yapabilir misindişli motorözel ilebenözellikler ?
Evet, voltaj, hız, tork ve mil boyutu ve şekli için isteğinize göre özelleştirebiliriz.Terminalde lehimlenmiş ek tellere veya kablolara ihtiyacınız varsa veya konektörler veya kapasitörler veya EMC eklemeniz gerekiyorsa, bunu da yapabiliriz.
S: kurşun süreniz nedir?
A: Genellikle normal standart ürünümüz, özelleştirilmiş ürünler için biraz daha uzun olan 10-15 güne ihtiyaç duyacaktır.Ancak teslim süresi konusunda çok esnekiz, belirli siparişlere bağlı olacaktır.
Q:MOQ'unuz nedir?
A: deniz yoluyla teslimat varsa, minimum sipariş 100 adettir, ekspres ile teslim edilirse, sınır yoktur.
Q:Ürün stokta var mı?
C: Üzgünüm, stoklarımızda ürün yok, Tüm ürünler siparişle üretiliyor.
Q:Bizimle nasıl iletişime geçersiniz?
A: Bize e-posta adresimize soruşturma gönderebilir veya skype: kansnvonke ekleyebilir veya bize whatsapp 18771326123 gönderebilirsiniz.
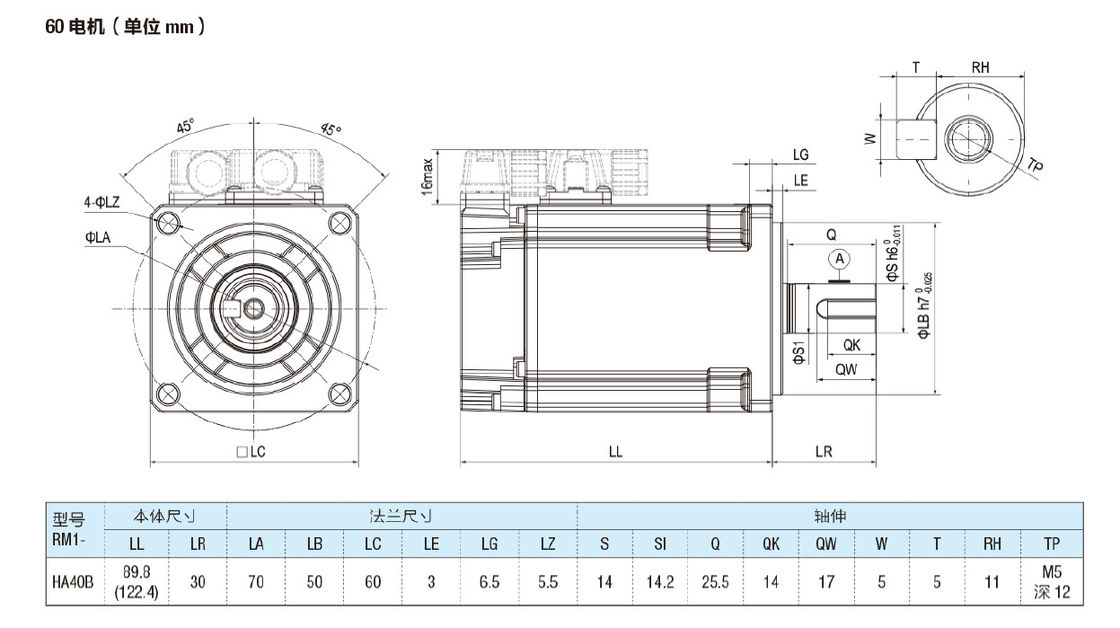
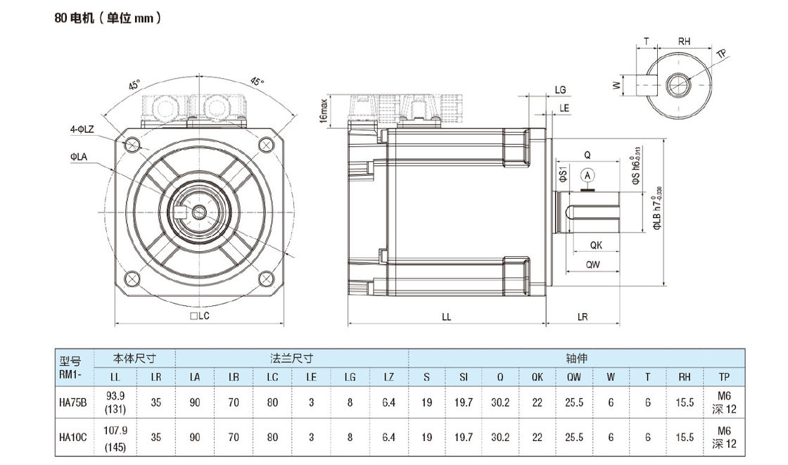
Not

Yalnızca referans amaçlı özellikler.

Şaft boyutu ve özellikleri (gerilim, tork, hız, vb.) özelleştirilebilir.
 
Sanayi Ekipmanları için 1100W 400W 0.4KW Endüstriyel Servo Motor Kontrol Cihazı 11Sanayi Ekipmanları için 1100W 400W 0.4KW Endüstriyel Servo Motor Kontrol Cihazı 12Sanayi Ekipmanları için 1100W 400W 0.4KW Endüstriyel Servo Motor Kontrol Cihazı 13
SEO:

AC DİŞLİ MOTOR PLANET DİŞLİ KUTUSU TEK FAZLI 220V DİŞLİ MOTOR küçük ac dişli motor
DC DİŞLİ MOTOR ENDÜKSİYON MOTORU MONOFAZE 220V MOTOR dayton ac dişli motor
SONSUZ DİŞLİ KUTUSU TERSİNİR MOTOR ÜÇ FAZLI MOTOR ac senkron dişli motor
24V MOTOR KÜÇÜK DİŞLİ MOTOR 3 FAZLI 220V DİŞLİ MOTOR SERVO MOTOR
IK RK MOTOR BÜYÜK DİŞLİ MOTOR 3 FAZLI 220V MOTOR SERVO SÜRÜCÜ
6W MOTOR BÜYÜK DİŞLİ MOTOR ÜÇ FAZLI 380V MOTOR 400W SERVO MOTOR
15W MOTOR SONSUZ DİŞLİ MOTOR 3 FAZLI 380V AC MOTOR 750W SERVO MOTOR
20W MOTOR ÇİN DİŞLİ MOTOR DİK AÇILI DİŞLİ MOTOR dayton gölgeli kutuplu dişli motor
25W MOTOR AC ELEKTRİK MOTORU AC DİK AÇILI DİŞLİ MOTOR düşük devir motor ac
30W MOTOR ELEKTRİK MOTORU DC DİK AÇILI DİŞLİ MOTOR 120 volt dişli redüksiyon motoru
40W MOTOR 12V DC DİŞLİ MOTOR BLDC DİK AÇILI DİŞLİ MOTOR ac motor hız kontrolü
60W MOTOR 24V DC DİŞLİ MOTOR AC AÇILI DİŞLİ MOTOR senkron dişli motor
90W MOTOR 220V AC DİŞLİ MOTOR SPİRAL KONİK DİŞLİ MOTOR redüktör motoru
120W MOTOR 220V AC MOTOR ac sonsuz dişli motor elektrikli dişli motor
160W MOTOR 230V AC DİŞLİ MOTOR SPİRAL KONİK İÇİ BOŞ ŞAFT mikro dişli motor
180W MOTOR 240V AC DİŞLİ MOTOR 25W PALET YAKICI DİŞLİ MOTOR orta dişli motor
200W MOTOR 230V AC MOTOR 10W MOTOR FABRİKASI sağ açılı dişli motor
250W MOTOR 240V AC MOTOR CH Yatay tip motor ve dişli
ZD MOTOR KÜÇÜK DİŞLİ MOTOR CV DİKEY TÜRÜ dişli redüksiyon motoru
GPG MOTORU TEK FAZLI MOTOR ÇİN MOTORU planet dişli motor
MAILI MOTOR CH MOTOR ÇİN MOTORU sonsuz dişli motor
DPG MOTOR özgeçmiş motoru ELEKTRİK MOTORU tek fazlı ac motor
FANGTE MOTOR ÇİN MOTORU FAN MOTORU düz dişli motor
LİNİKS MOTOR ÇİN MOTORU 12V MOTOR sarmal dişli redüktör
VTV MOTORU 12V DC MOTOR 1 hp dişli motor planet dişli redüksiyonu
JINGYAN MOTORU 24V DC MOTOR ac dişli redüksiyon motoru KONİK DİK AÇILI MOTOR

Sorgularınızı doğrudan bize gönderin.

Gizlilik Politikası Çin İyi Kalite AC Dişli Motoru Tedarikçi. Telif hakkı © 2023-2025 Taibang Motor Industry Group Co., Ltd. - Tüm haklar saklıdır.